Código QR
Produtos
Contate-nos

Telefone

Fax
+86-574-87168065

E-mail

Endereço
Área Industrial de Luotuo, distrito de Zhenhai, cidade de Ningbo, China
O SWC-WD Short de Raydafon, sem que o acoplamento universal do tipo Flex Flex seja construído para mover o torque com eficiência em máquinas pesadas-pense em fábricas de rolamento de aço, guindastes, equipamentos de elevação, toda essa engrenagem pesada. Ele tem um design compacto de flange não telescópico, com diâmetros de girração variando de 180 mm a 1320 mm. Esse acoplamento universal de flange curto pode lidar com desalinhamentos angulares de até 15 graus e torque de até 16000 kN · m; portanto, mesmo em espaços apertados onde não há muito espaço, mantém a transferência de energia de maneira confiável. Fazemos isso de aço de 35crmo de alta resistência, com uma estrutura de rolamentos que não precisa de parafusos-perfeita para acoplamentos universais para máquinas pesadas e acoplamentos universais não telescópicos para aplicações industriais. Não requer muita manutenção e dura para sempre, que é exatamente o que você precisa em configurações difíceis.
Nossa fabricação na China segue os padrões ISO 9001, de modo que o acoplamento universal SWC-WD se mantém em condições adversas. O eixo cruzado é banhado ao cromo para resistir à corrosão, aumentando sua resistência. Seu design rígido e soldado do flange torna a instalação uma brisa, especialmente em metalurgia e equipamento de mineração, onde o movimento axial é bastante mínimo. Podemos personalizar o tamanho para atender às suas necessidades, para que esse acoplamento universal curto durável funciona muito bem como acoplamentos universais personalizados para sistemas de guindaste e outros trabalhos pesados. E o preço também é competitivo. O artesanato preciso de Raydafon significa menos tempo de inatividade e equipamentos mais confiáveis - algo que os operadores industriais de todo o mundo podem contar.
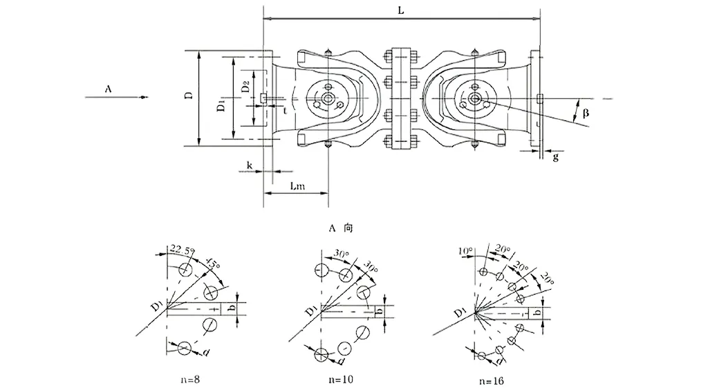
| Não. | Diâmetro da girração d mm | Torque nominal Tn KN · m | Eixos dobram o ângulo β (°) | Torque cansado Tf KN · m | Tamanho (mm) | Peso (kg) | |||||||||
| LMin | D1 (JS11) | D2 (H7) | LM | n-d | k | t | b (H9) | g | LMin | Aumentar 100mm | |||||
| SWC180WD | 180 | 12.5 | 6.3 | ≤25 | 440 | 155 | 105 | 110 | 8-17 | 17 | 5 | - | - | 0.145 | 52 |
| SWC225WD | 225 | 40 | 20 | ≤15 | 480 | 196 | 135 | 120 | 8-17 | 20 | 5 | 32 | 9.0 | 0.355 | 82 |
| SWC250WD | 250 | 63 | 31.5 | 560 | 218 | 150 | 140 | 8-19 | 25 | 6 | 40 | 12.5 | 0.831 | 127 | |
| SWC285WD | 285 | 90 | 45 | 640 | 245 | 170 | 160 | 8-21 | 27 | 7 | 40 | 15.0 | 1.715 | 189 | |
| SWC315WD | 315 | 125 | 63 | 720 | 280 | 185 | 180 | 10-23 | 32 | 8 | 40 | 15.0 | 2.820 | 270 | |
| SWC350WD | 350 | 180 | 90 | 776 | 310 | 210 | 194 | 10-23 | 35 | 8 | 50 | 16.0 | 4.791 | 370 | |
| SWC390WD | 390 | 250 | 125 | 860 | 345 | 235 | 215 | 10-25 | 40 | 8 | 70 | 18.0 | 8.229 | 524 | |
| SWC440WD | 440 | 355 | 180 | 1040 | 390 | 255 | 260 | 16-28 | 42 | 10 | 80 | 20.0 | 15.320 | 798 | |
| SWC490WD | 490 | 500 | 250 | 1080 | 435 | 275 | 270 | 16-31 | 47 | 12 | 90 | 22.5 | 25.740 | 1055 | |
| SWC550WD | 550 | 710 | 355 | 1220 | 492 | 320 | 305 | 16-31 | 50 | 12 | 100 | 22.5 | 46.780 | 1524 | |
| SWC620WD | 620 | 1000 | 500 | 1360 | 555 | 380 | 340 | 10-38 | 55 | 12 | 100 | 25.0 | 83.760 | 2120 | |
* 1. Tf-under a alternância carrega o torque que permite de acordo com a força da fadiga.
O acoplamento conjunto universal do SWC da Raydafon - geralmente chamado de acoplamento universal da articulação do SWC Cardan Shaft - não é apenas uma parte; É um obrigatório em campos industriais pesados, como moinhos de rolagem, equipamentos de elevação e todo tipo de configurações de máquinas pesadas duras. Como um acoplamento de articulação universal de alto torque, ele faz um trabalho sólido que liga dois eixos de transmissão que não estão perfeitamente alinhados, certificando-se de que a energia seja entregue sem problemas, mesmo quando as condições de trabalho são realmente duras.
Vamos falar sobre suas principais especificações: o diâmetro da rotação varia de φ58 a φ620, o torque nominal passa de 0,15 a 1000 kN · m e o ângulo dobrável do eixo não passa de 25 °.
Esse acoplamento funciona melhor em pontos específicos-como quando você precisa de um acoplamento de articulação universal de serviço pesado confiável para operações de moinho de rolamento ou um acoplamento durável do eixo da junta universal SWC em equipamentos de elevação e manuseio de materiais. Nesses casos, mostra sua força: mesmo sob grandes tensões, mantém as operações estáveis, sem bagunça ou avarias.
O acoplamento conjunto universal do SWC da Raydafon não é apenas reunido-ele é construído com engenharia inteligente e atualizada para funcionar muito bem e se aguentar muito em uso industrial. Vamos passar pelo que faz com que sua estrutura se destaque.
Primeiro, possui uma configuração razoável e segura: usamos um design integrado da cabeça do garfo para esse acoplamento da articulação universal industrial, que reduz os riscos como os parafusos que se soltam ou quebram. Esse ajuste sozinho torna 30% a 50% mais robusto em geral, por isso funciona com segurança e consistência. Comparado aos acoplamentos regulares, dura muito mais tempo e evita problemas comuns em pontos de alta tensão-como os sistemas de acoplamento de articulações universais de máquinas pesadas que você vê em empregos difíceis.
Depois, há sua capacidade aprimorada de suporte de carga: esse acoplamento da junta universal de serviço pesado da SWC é feito para lidar com grandes pesos, por isso é um item obrigatório em locais que precisam de manuseio de carga de alto nível, como equipamentos de mineração ou máquinas de construção.
Também atinge a alta eficiência da transmissão - até 98,6%. Como um acoplamento conjunto universal eficiente para uma grande transmissão de energia, reduz o uso de energia e os custos que o acompanham. É por isso que é uma das principais opções para soluções de acoplamento conjuntas universais que economizam energia em configurações de transmissão industrial de alta potência.
E funciona suave com baixo ruído: a transmissão permanece estável, e o ruído geralmente passa entre 30 e 40 dB (a). Esse acoplamento conjunto universal de baixo ruído mantém as operações silenciosas, o que é perfeito para pontos industriais onde o ruído é um problema-tudo ao manter a confiabilidade em um nível alto.
⭐⭐⭐⭐⭐ Zhang Wei, engenheiro -chefe, Henan Mining Equipment Co., Ltd.
Temos colocado o SWC-WD de Raydafon, sem o acoplamento universal do tipo Flex Flange em nossas máquinas de mineração, e tem sido um ajuste perfeito. Seu design compacto é exatamente o que precisamos para espaços apertados, onde não há muito espaço de sobra, e a construção é difícil o suficiente para manter as operações estáveis. Mesmo quando está executando sem parar em condições pesadas, esse acoplamento nunca nos decepciona-sem falhas. Nossa equipe de manutenção adora que ela mal precisa verificar, o que significa que podemos manter a produção em movimento sem problemas.
⭐⭐⭐⭐⭐ Michael Brown, gerente de operações, Texas Steel Works, EUA
Nosso workshop do Texas encomendou o SWC-WD Short sem o acoplamento universal do tipo Flex Flange de Raydafon e, honestamente, a qualidade nos surpreendeu. Os acoplamentos são usinados muito bem, instalá -los é uma cinch e se sustentam de maneira confiável, mesmo quando sob carga. O que mais se destacou para mim? Como ele equilibra o preço e o desempenho - você geralmente não encontra esse ponto ideal. Encontrar um fornecedor que entregue consistentemente esse nível de qualidade não é fácil, mas Raydafon provou absolutamente que eles são um parceiro confiável para nós.
Anna Anna Müller, supervisora de manutenção, Berlin Industrial Solutions, Alemanha
Colocamos o SWC-WD Short de Raydafon sem o acoplamento universal do tipo Flex Flange em nossa linha de equipamentos de Berlim, e os resultados foram ótimos. O produto em si parece sólido, a soldagem é precisa-não é um trabalho de má qualidade aqui-e até agora é muito bom, mostrando durabilidade de alto nível. Comparado a algumas outras marcas que usamos aqui na Europa, esse acoplamento é muito mais confiável e o preço também é muito mais competitivo. Se outras empresas estão procurando acoplamentos universais confiáveis, eu recomendo absolutamente Raydafon.
O SWC-WD Short de Raydafon, sem o acoplamento universal do tipo flexão flexível-geralmente chamado de acoplamento universal do SWC Cardan Sheft-é construído para manchas industriais apertadas, onde o espaço é limitado e você precisa de um design de comprimento fixo (sem extensão telescópica). Como um acoplamento da articulação universal de alto torque, ele move o torque com eficiência entre eixos que não estão alinhados, manipulando desvios angulares de até 25 graus e permanece confiável mesmo em ambientes pesados.
Vamos falar sobre seus principais recursos: ele possui uma estrutura compacta e rígida-essa configuração de flange curta e não flexível o torna um acoplamento de junta universal de serviço pesado confiável para operações de moinho de rolamento, dando estabilidade extra nas configurações onde o movimento axial é mínimo. É por isso que funciona tão bem para conexões de distância fixa em máquinas difíceis. Depois, há sua alta capacidade de suporte de carga: usamos materiais resistentes, como ferro fundido ou aço de liga para fazê-lo, por isso é um acoplamento durável do eixo universal da junta SWC no equipamento de levantamento e manuseio de materiais. Ele mantém grandes pesos e transmite mais torque do que outros acoplamentos do mesmo diâmetro, o que o torna perfeito para cargas pesadas na engrenagem de mineração ou construção.
Esse acoplamento da articulação universal industrial também compensa muito bem o desalinhamento - seja um desalinhamento angular, paralelo ou axial, não mexe com velocidade de rotação ou transferência de torque. Isso significa operação suave em sistemas de acoplamento de articulações universais de máquinas pesadas. E é eficiente na transmissão de energia: atingindo até 98,6% de eficiência, esse acoplamento da junta universal de serviço pesado da SWC mantém a perda de energia baixa, tornando-o um acoplamento de junta universal eficiente para transmissão de grande energia em configurações industriais de alta potência.
Além disso, ele foi projetado para economizar energia e ficar quieto-se você precisar de soluções universais de acoplamento conjuntas para economizar energia, essa é uma escolha superior, cortando custos operacionais. E mantém o ruído entre 30-40 dB (a), portanto, esse acoplamento de articulação universal de baixo ruído se encaixa bem em pontos industriais, onde o ruído é uma preocupação.
Esse acoplamento realmente brilha em cenários específicos-como quando você precisa de um acoplamento de articulação universal de serviço pesado confiável para operações de moinho de rolamento ou um acoplamento durável do eixo da junta universal SWC em equipamentos de levantamento e manuseio de materiais. Nesses casos, mesmo com cargas extremas e espaço limitado, mantém as operações estáveis, sem soluços.
Quando se trata de aplicações industriais de acoplamento conjunta universal, nossa variante SWC-WD se destaca com a engenharia inteligente que o faz com que ela tenha um desempenho melhor e durar mais tempo. Vamos falar sobre sua estrutura-chave: ele tem uma configuração razoável e segura com um design integrado da cabeça do garfo-isso se livra de problemas como os parafusos que se soltam ou quebram, aumentando a força geral em 30%a 50%. Isso significa que ele funciona com segurança e confiabilidade, dura mais que os modelos de estilo antigo e evita quebras comuns em locais de alto estresse, como sistemas de acoplamento de articulações universais de máquinas pesadas.
Além disso, ele pode lidar com muito mais carga-a construímos para suportar pesos mais pesados; portanto, esse acoplamento da junta universal de serviço pesado da SWC é perfeito para lugares que precisam de manuseio de carga difícil, como equipamentos de mineração ou construção. Ele também move a potência de maneira super eficiente, atingindo até 98,6% de eficiência de transmissão. Como um acoplamento junto universal eficiente para uma grande transmissão de energia, reduz o uso de energia e os custos que o acompanham, tornando-o uma escolha superior para soluções universais de acoplamento de articulação universal que economizam energia em configurações de transmissão industrial de alta potência.
E é bom sem ruído-a transmissão permanece estável, e o ruído geralmente permanece entre 30-40 dB (a). Esse acoplamento conjunto universal de baixo ruído mantém as operações silenciosas, o que é perfeito para pontos industriais onde o ruído é um problema, mantendo a confiabilidade em um nível alto.
O Raydafon não é apenas mais um nome nas peças de transmissão-somos um fabricante líder e fornecedor de componentes de transmissão de alto desempenho e soluções de máquinas industriais, e temos um foco nítido em produtos como o acoplamento universais do SWC Cardan Shaft. Começamos a acompanhar o que as indústrias globais precisam à medida que elas evoluem e, com o tempo, construímos uma formação completa: caixas de câmbio, eixos de acionamento, cilindros hidráulicos, polias, ferramentas de precisão-tudo feito para aumentar o desempenho dos setores agrícola e de serviço pesado. Somos grandes em inovação, e é por isso que podemos oferecer um acoplamento conjunto universal de serviço pesado confiável para operações de laminação que se encaixam até os sistemas mais complexos sem problemas.
Nossas instalações também são de primeira qualidade-temos oficinas CNC, engrenagem de tratamento e tratamento térmico e sistemas avançados de medição 3D. Achamos com padrões rígidos de qualidade como ISO9001/TS16949, e essa configuração nos permite fazer soluções de acoplamento de articulação universal de alto torque que movem o torque excelente e lidam com o desalinhamento como um profissional. Pegue nosso acoplamento durável do eixo da junta universal SWC em equipamentos de elevação e manuseio de materiais, por exemplo-é construído para lugares que precisam de uma potência de carga difícil. E nossa linha de acoplamento conjunto universal industrial? Ele abrange todos os tipos de usos onde a precisão e a robustez são mais importantes.
Oitenta por cento do que fazemos é exportado - detendo lugares como EUA, Alemanha, Japão, Itália, Malásia, Austrália e Oriente Médio. Temos redes fortes na China, Coréia do Sul, Reino Unido, Cingapura, EUA e Espanha também, por isso somos sólidos globalmente. Esse alcance nos permite oferecer opções de acoplamento de juntas universais de serviço pesado SWC personalizado-altivadas exatamente com o que os clientes precisam, como nos sistemas de acoplamento conjuntos universais de máquinas pesadas, onde permanecer estável sob cargas extremas não é negociável.
Nós nos preocupamos com a sustentabilidade e a fabricação de soluções que colocam os clientes em primeiro lugar. É por isso que desenvolvemos soluções universais de acoplamento universais de economia de energia que atingem até 98,6% de eficiência de transmissão-uso de energia em configurações de alta potência. Se você precisa de um acoplamento conjunto universal eficiente para transmissão de grande energia ou um acoplamento conjunto universal de baixo ruído para pontos industriais, onde o ruído é um problema, nossos produtos vêm com o serviço completo de pós-venda. É assim que nos tornamos um parceiro de confiança no setor de transmissão - não apenas vendemos peças, apoiamos -as.
Endereço
Área Industrial de Luotuo, distrito de Zhenhai, cidade de Ningbo, China
Tel


+86-574-87168065


Área Industrial de Luotuo, distrito de Zhenhai, cidade de Ningbo, China
Copyright © Raydafon Technology Group Co., limitou todos os direitos reservados.
Links | Sitemap | RSS | XML | política de Privacidade |
